How do I install a thermostatic mixing valve?
What is a thermostatic mixer valve?
Autotaps ATV-9004B has a thermostat built-in, which maintains temperature by adjusting the flow of each hot and cold supply. When water begins to get colder, the thermostatic valve will automatically reduce the flow of cold water to compensate. This is particularly useful in guarding against the possibility of scalding injuries.
Technical Parameters
Default factory temperature setting: 38º
Maximum temperature: 85º
Water pressure: 1-5 Bar
Maximum water pressure: 8 Bar
Dia. of Inlet pipe: G 1/2"
Weight: 0.5kg
Height: 150.5mm
Inlet: 1/2 Inch (Male)
Outlet: 1/2 Inch (Female)
ATV-9004B Dimension

Typical installation Setup

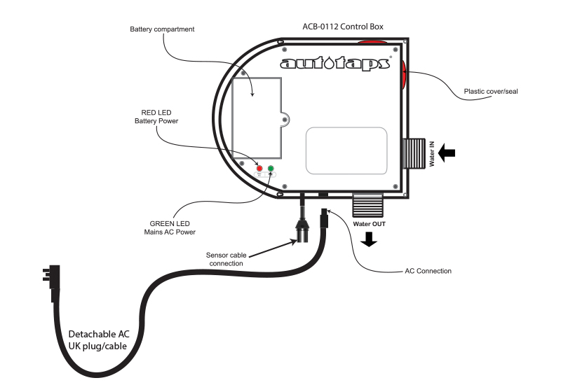
Control Box

Back View:
