Discontinued |
ATV-9004 Technical Details |
Thermostatic valve with female connectors
- Features
- Technical Details
- Dimension
- Contents
- Functions
- Temperature Control
- Add-ons
Features
Thermostatic Mixer Valve
Water temperature control adjustment
Solid brass construction
Non-return valves
Mesh filters
Inlet: 1/2 Inch (Female)
Outlet: 1/2 Inch (Female)
TECHNICAL DETAILS
Water Pressure: 0.05- 1Mpa (>0.5Mpa recommended for flow rate equipment)
Recommended Water Pressure: 0.05-0.5Mpa
Scope of cold water temperature: 5-29°C
Scope of hot water temperature: 50-80°C
Range of adjustable temperature: 20-50°C
Safety temperature key: 38°C
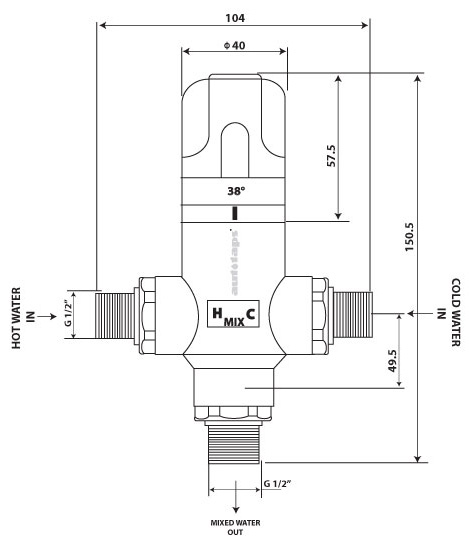
Inlets: 1/2 Inch (Male)
Outlet: 1/2 Inch (Female)
Result of unavailability of cold water:When it exceeds 5 seconds of unavailability of cold water, the valve will control water flow rate to 1.9 litres/minute. Volume of flowing water ≤150ml, temperature of water ≤49°C
Life expectancy of valve: CSA B125-98 ASSE 1016 (≤100, 000 cycles)
Based on approximately 50 cycles per day, the valve should last for more than 5 years. Correct installation and servicing are essential to ensure that this product works to its optimum potential.
DIMENSION:

Typical Installation

CONTENTS
1x Thermostat
1x Manual
Nothing to display.
Nothing to display.
Nothing to display.